Гидроизоляционные шпонки Аквастоп (гидрошпонки, гидропрокладки) – это ленты из пластифицированного ПВХ, предназначенные для герметизации и гидроизоляции рабочих (технологических) и деформационных швов литых бетонных конструкций (фундамента, аквапарков, парковок, тоннелей и прочих подземных сооружений, элеваторов, плит перекрытий и пр.).
Разновидности
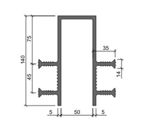
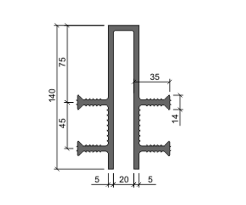
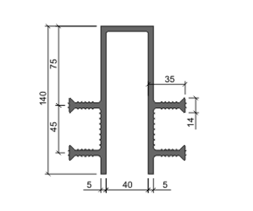
По типу крепления изоляционные шпонки делят на:
- внутренние;
- внешние (опалубочные);
- прижимные.
Особенности применения
Использование гидроизоляционной шпонки особенно актуально при строительстве в регионах с суровыми климатическими условиями и влажной почвой слабой плотности, например, в Санкт-Петербурге и области. Это актуально, поскольку усадка такой почвы происходит неравномерно, вследствие чего нагрузка на фундамент может быть больше в каких-то точках. Данные процессы угрожают целостности строения, а избежать аварийных случаев помогает именно гидрошпонка.
Гидроизоляционные шпонки Аквастоп рекомендуется купить и установить, поскольку они равномерно распределяют нагрузку при деформации шва, ведь надежно крепятся в бетоне благодаря особой конструкции с множеством продольных и поперечных выступов. Выступы также служат эффективным гидробарьером, а гибкий сердечник способен выдержать нагрузку разрыва, которая создается при движении швов в связи с перепадом температур..
Гидроизоляционные шпонки Аквастоп выдерживают не только грунтовые и сточные воды, но и другие жидкости (нефть, слабые кислоты и щелочи и пр.).
Своевременная установка гидрошпонки предупреждает возникновение аварийных ситуаций и проблем, возникающих во время строительства и последующей эксплуатации строений, ведь благодаря ей цементный раствор заполняет всю полость швов.
Как купить гидрошпонки Аквастоп
Каталог продукции содержит широкий ассортимент гидропрокладок, рассчитанных на разные уровни нагрузки и зоны установки.
Оформить заказ можно одним из удобных способов:
- через корзину интернет-магазина;
- по телефону справочно-информационной службы.
Доставка гидрошпонок по Спб и другим регионам России осуществляется специализированными службами грузоперевозки в максимально сжатые сроки.
